Example 1
Deduce the current x in the part of the circuit shown.

Solution
$\color{red}{\rm I_{in} = 3 + 2}$
$\color{red}{\rm I_{out} = 4 + \cal x}$
$\color{red}{3 + 2 = 4 + x}$
$\color{red}{x = 3 + 2 - 4 = 1~\rm A}$
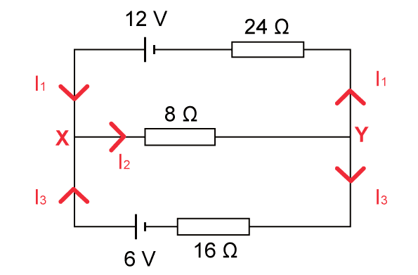
Example 2
Find the currents in the following circuit.

Solution
Label the junctions and show the currents with arrows.

There are $3$ different currents: $3$ equations are needed to solve the problem:
$\color{red}{\bullet}$ Use $\color{red}{\rm\Sigma I = 0}$ (junction) or $\color{red}{\rm I_{in} = I_{out}}$
At junction $\bf X$: $\color{red}{\rm I_1 + I_3 = I_2}$
At junction $\bf Y$: $\color{red}{\rm I_2 = I_3 + I_1}$
The same equation applies at both junctions.
We can obtain a second equation by considering the top loop.
Applying Energy in = energy out: $\color{red}{\bf \Sigma(emf) = \Sigma(IR)}$
$\color{red}{\rm 12 = 8 ~I_2 + 24 ~I_1}$

And a third equation by considering the lower loop:
$\color{red}{\rm 6 = 8~ I_2 + 16~ I_3}$

We now need to solve the three equations:
$\color{red}{\left\{\begin{array}{ll}\rm I_1 + I_3 = I_2\\
\rm 12 = 8 ~I_2 + 24~ I_1\\
\rm 6 = 8~I_2 + 16 ~I_3\end{array}\right.}$
$\color{red}{\left\{\begin{array}{ll}\rm I_3 = I_2 - I_1\\
\rm 12 = 8 ~I_2 + 24~ I_1\\
\rm 6 = 8 ~I_2 + 16~ ( I_2 - I_1 ) = 24 ~I_2 - 16~ I_1\end{array}\right.}$
$\color{red}{\left\{\begin{array}{ll}\rm I_3 = I_2 - I_1\\
\rm 12 = 8 ~I_2 + 24~ I_1\\
\rm 3 = 12~ I_2 - 8~I_1 \end{array}\right.}$
$\color{red}{\left\{\begin{array}{ll}\rm I_3 = I_2 - I_1\\
\rm 12 = 8 ~I_2 + 24~ I_1\\
\rm 12~ I_2 = 3 + 8~ I_1 \end{array}\right.}$
$\color{red}{\left\{\begin{array}{ll}\rm I_3 = I_2 - I_1\\
\rm 12 = 8 ~I_2 + 24~ I_1\\
\rm I_2 = \dfrac{1}{4} + \dfrac{2}{3} I_1 \end{array}\right.}$
$\color{red}{\left\{\begin{array}{ll}\rm I_3 = I_2 - I_1\\
\rm 12 = 8 \left(\dfrac{1}{4} + \dfrac{2}{3}~I_1 \right) + 24~ I_1\\
\rm I_2 = \dfrac{1}{4} + \dfrac{2}{3} I_1 \end{array}\right.}$
$\color{red}{\left\{\begin{array}{ll}\rm I_3 = I_2 - I_1\\
\rm 12 = 2 + \dfrac{16}{3}~ I_1 + \dfrac{72}{3}~ I_1\\
\rm I_2 = \dfrac{1}{4} + \dfrac{2}{3} I_1 \end{array}\right.}$
$\color{red}{\left\{\begin{array}{ll}\rm I_3 = I_2 - I_1\\
\rm 10 = \dfrac{88}{3}~ I_1 \\
\rm I_2 = \dfrac{1}{4} + \dfrac{2}{3} I_1 \end{array}\right.}$
$\color{red}{\left\{\begin{array}{ll}\rm I_3 = I_2 - I_1\\
\rm I_1 = \dfrac{30}{88} = 0.34~A \\
\rm I_2 = \dfrac{1}{4} + \dfrac{2}{3} \times (0.34) = 0.48~A \end{array}\right.}$
$\color{red}{\left\{\begin{array}{ll}\bf I_1 = 0.34~A \\
\bf I_2 = 0.48~A\\
\bf I_3 = 0.48 - 0.34 = 0.14~A\end{array}\right.}$